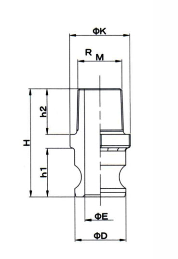
●材質…ポリプロピレン
●耐圧…0.39MPa(4kgf/cm2)
●呼び径…80(3”)
●ねじサイズ…PT3”
●サイズ(mm)…M:3B、φD:92、φE:72、K:98、h1:51、h2:39、H:109
●重量…250g
●使用温度範囲…0〜60℃
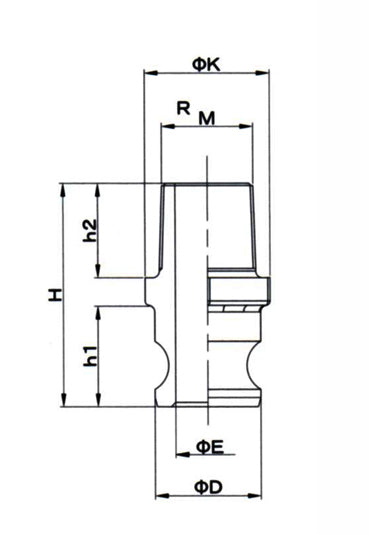
●耐圧…0.39MPa(4kgf/cm2)
●呼び径…80(3”)
●ねじサイズ…PT3”
●サイズ(mm)…M:3B、φD:92、φE:72、K:98、h1:51、h2:39、H:109
●重量…250g
●使用温度範囲…0〜60℃

