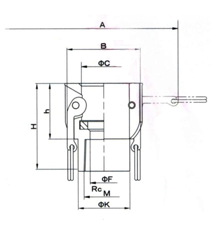
●材質…ポリプロピレン
●耐圧…0.39MPa(4kgf/cm2)
●呼び径…80(3”)
●ねじサイズ…PT3”
●サイズ(mm)…M:3B、A:249、B:135、φC:93、φF:78、K:101、h:60、H:91
●重量…500g
●使用温度範囲…0〜60℃
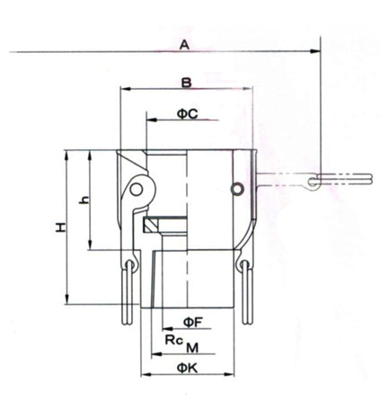
●耐圧…0.39MPa(4kgf/cm2)
●呼び径…80(3”)
●ねじサイズ…PT3”
●サイズ(mm)…M:3B、A:249、B:135、φC:93、φF:78、K:101、h:60、H:91
●重量…500g
●使用温度範囲…0〜60℃

